A.容电压
≠0V或电感电压
≠0V,且电路有外加激励作用
B.电容电流
≠0A或电感电压
≠0V,且电路无外加激励作用
C.电容电流
≠0A或电感电流
≠0A,且电路有外加激励作用
D.电容电压
≠0V或电感电
≠0A,且电路无外加激励作用
A.容电压
≠0V或电感电压
≠0V,且电路有外加激励作用
B.电容电流
≠0A或电感电压
≠0V,且电路无外加激励作用
C.电容电流
≠0A或电感电流
≠0A,且电路有外加激励作用
D.电容电压
≠0V或电感电
≠0A,且电路无外加激励作用
A.电容电压
=0V或电感电压
=0V,且电路有外加激励作用
B.电容电流
=0A或电感电压
=0V,且电路无外加激励作用
C.电容电流
=0A或电感电流
=0A,且电路有外加激励作用
D.电容电压
=0V或电感电流
=0A,且电路有外加激励作用
A.
B.
C.
D.
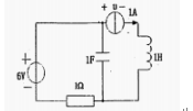
电路如图所示,求电路的时间常数τ为()。
A.1/150s
B.1/100s
C.1/50s
D.1s
开始考试点击查看答案
,若P=1KΩ,此时电容C等于()。A.0.0001F
B.0.001F
C.0.01F
D.0.2F
开始考试点击查看答案A.RC、R/L
B.RC、L/R
C.C/R、L/R
D.C/R、R/L
开始考试点击查看答案图示电路原已稳定,t=0闭合开关,t>0的电容电压
的大小为()。
A.1V
B.2V2
C.3VD
D.4V
开始考试点击查看答案图示电路中电流源两端的稳态电压U等于()。
A.1V
B.2V
C.5V
D.10V
开始考试点击查看答案图示电路中的稳态电流I为()。
A.-6A
B.0A
C.3A
D.14A
开始考试点击查看答案图示直流稳态电路中的电压u等于()。
A.-1V
B.-2V
C.-5V
D.-10V
开始考试点击查看答案长理培训客户端 资讯,试题,视频一手掌握
去 App Store 免费下载 iOS 客户端