A.双母线接线
B.双母线分段接线
C.角形接线
D.二分之三接线
A.1
B.2
C.5
D.10
开始考试点击查看答案A.选择性
B.快速性
C.灵敏性
D.可靠性
开始考试点击查看答案A.60.1
B.50.3
C.49.9
D.59.9
开始考试点击查看答案A.线路全长的30%到40%
B.线路全长的40%到50%
C.线路全长的50%到60%
D.线路全长的60%到 70%
开始考试点击查看答案A.母线侧隔离开关,负荷侧隔离开关,断路器
B.负荷侧隔离开关,母线侧隔离开关,断路器
C.断路器,负荷侧隔离开关,母线侧隔离开关
D.断路器,母线侧隔离开关,负荷侧隔离开关
开始考试点击查看答案A.220KV和110KV
B.220KV和115KV
C.242KV和121KV
D.220KV和121KV
开始考试点击查看答案A.安全性、可靠性、灵活性
B.能源消耗率、厂用电率、网损率
C.电压、波形、频率
D.可靠性、经济性、对环境有害程度
开始考试点击查看答案A.20-25
B.25-30
C.30-35
D.35-40
开始考试点击查看答案A.间隙电弧接地过电压
B.空载变压器分闸过电压
C.空载线路合闸过电压
D.传递过电压
开始考试点击查看答案
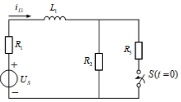
开关S闭合前电路处于稳态,
时,开关闭合,
为: ()。
(0.5)A.2A
B.-2A
C.2.5A
D.-2.5A
开始考试点击查看答案长理培训客户端 资讯,试题,视频一手掌握
去 App Store 免费下载 iOS 客户端