A.正确
B.错误
A.0.5A
B.2A
C.1A
D.0.125A
开始考试点击查看答案A.任一时刻的功率为0
B.由一次侧看入的阻抗
C.理想交压器是互易二端口
D.任一时刻的功率都不为0
开始考试点击查看答案
t=12s时,三个相电压之和为()。A.380V
B.0V
C.380
V
D.380
V
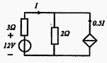
A.b端口电压电流关系式是()。
A.U=2.5-4.5I
B.U=22.5-4.5I
C.U=2.5-7I
D.U=2.5+4.5I
开始考试点击查看答案
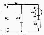
为()Ω。
A.4
B.5
C.6
D.10
开始考试点击查看答案A.恒为正,有正负
B.恒为负,有正负
C.恒为正,恒为负
D.恒为负,恒为负
开始考试点击查看答案
为()。
A.2V
B.4V
C.8V
D.12V
开始考试点击查看答案
A.-4W
B.4W
C.6W
D.-6W
开始考试点击查看答案A.正确
B.错误
开始考试点击查看答案A.支路电流法
B.节点电压法
C.网孔法
D.回路电流法
开始考试点击查看答案长理培训客户端 资讯,试题,视频一手掌握
去 App Store 免费下载 iOS 客户端