A.瞬时值
B.最大值
C.有效值
D.平均值
A.一般规定参考点的电位为零
B.在实际电路中常以大地作为公共参考点
C.电路中各点电位的大小与参考点的选择有关
D.电路中各点电位的正负与参考点的选择有关
开始考试点击查看答案A.电路在通路状态时,电路中有电流流过
B.电路在开路状态时,电路中没有电流流过
C.电路在短路状态时,电路中的电流将比通路时大很多倍
开始考试点击查看答案A.电压源短路
B.电压源开路
C.电流源短路
D.电流源开路
开始考试点击查看答案
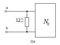
是一个无源一端口,则ab两端的等效电阻
可能( )。A.大于
B.小于
C.等于
D.等于无穷大
A.
B.
C.
D.
A.KCL是按照电流的参考方向来列写的;
B.KCL与各支路中元件的性质有关;
C.KCL也适用于包围部分电路的假想封闭面。
开始考试点击查看答案
A.u1与u2同相
B.u2滞后u190°
C.u2超前u1
D.u2滞后u1
开始考试点击查看答案A.VCVS
B.VCCS
C.CCCS
D.CCVS
开始考试点击查看答案A. 放大电压
B.放大
C.截止
D.饱和
开始考试点击查看答案A.二极管具有单向导电性
B.三极管具有放大电流的作用
C.正常工作时稳压管工作在反向击穿状态
D.光电二极管一般反向偏置
开始考试点击查看答案长理培训客户端 资讯,试题,视频一手掌握
去 App Store 免费下载 iOS 客户端