¥5.00
推荐等级:A.基尔霍夫定律只适用于线性电路。
B.基尔霍夫定律只适用于直流电路和正弦交流电路。
C.基尔霍夫定律只适用于集总参数电路。
D.基尔霍夫定律只适用于非线性电路。
开始考试练习点击查看答案A.
B.
C.
D.
A.电压有效值
B.千乏
C. 皮法
D. 西
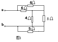
A.b两点间的电压Uab等于( )。 A. 14V
B.6V
C.-10V
D.-6V
开始考试练习点击查看答案A.200
B.120
C.80
D.0
A.超前
B.滞后
C.无法确定 D 同相
开始考试练习点击查看答案A.电阻
B.电感
C.电容
D.阻容性
开始考试练习点击查看答案A.电阻性
B.电感性
C.电容性
D.以上说法都不正确
开始考试练习点击查看答案A.增大
B.减小
C.不变
D.以上说法都不正确
开始考试练习点击查看答案A.大于
B.小于
C.等于
D.不等于
开始考试练习点击查看答案长理培训客户端 资讯,试题,视频一手掌握
去 App Store 免费下载 iOS 客户端