A.越大
B.越小
C.不能确定
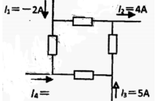
直流电路如图求
=()。
A.3A
B.2A
C.1A
D.5A
开始考试点击查看答案
=2A,R=5欧,以下叙述正确的()。
A.电流源发出功率20W,电阻吸收功率20W。
B.电流源吸收功率20W,电阻发出功率20W。
C.电流源发出功率0.8W,电阻吸收功率0.8W。
D.电流源功吸收率0.8W,电阻发出功率0.8W。
开始考试点击查看答案
=10V,
=2A,以下叙述正确的是()。
A.电压源发出功事20W,电流源吸收功率20W
B.电压源吸收功率20W,电流源发出功率20W
C.电压源发出功率20W,电流源未定
D.电流源发出功率20W,电压源未定
开始考试点击查看答案图示电路中,电压源
=()。
A.2V
B.4V
C.6V
D.8V
开始考试点击查看答案
A.6V
B.-4V
C.8V
D.5V
开始考试点击查看答案
=2A,
=-12V,
,求开关s闭合前后的以分别为()。
A.20,4
B.20,6
C.16,4
D.16,6
开始考试点击查看答案
=15V电流源
发出的功率()。
A.8
B.10W
C.15W
D.20W
开始考试点击查看答案实际电压源在供电时,它的端电压()它的电动势。
A.高于
B.低于
C.等于
D.不确定
开始考试点击查看答案图所示电路中,R=4Ω,
=3A,电流源发出(产生)的功率P为()。
A.108W
B.36W
C.-729
D.-36W
开始考试点击查看答案
A.吸收(即消耗)
B.发出(即产生)
C.时发时吸
D.不发不吸
开始考试点击查看答案国家电网考试专科高电压:高电压下气体、液体固体放电原理2
类别:高电压技术国家电网考试专科高电压:电气设备绝缘试验2
类别:高电压技术国家电网考试专科高电压:电介质的极化、电导和损耗
类别:高电压技术国家电网考试专科高电压:气体放电过程及其击穿特性
类别:高电压技术国家电网考试专科高电压:固体、液体和组合绝缘的击穿特性
类别:高电压技术国家电网考试专科高电压:电气设备的绝缘试验
类别:高电压技术国家电网考试专科高电压:线路和绕组中的波过程
类别:高电压技术国家电网考试专科高电压:雷电及防雷装置
类别:高电压技术国家电网考试专科高电压:电力系统的防雷保护
类别:高电压技术国家电网考试专科高电压:电力系统内部过电压
类别:高电压技术长理培训客户端 资讯,试题,视频一手掌握
去 App Store 免费下载 iOS 客户端