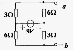
下图电路中,负载电阻
可以任意改变,问
等于()时其上获得最大功率。
A.1Ω
B.3Ω
C.5Ω
D.7Ω
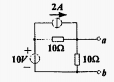
图示电路的诺顿等效电路如图(b),则
、
分别为()。
A.1A,
S
B.1A,
S
C.2A,
S
D.2A,
S
A.5
B.7
C.8
D.10
开始考试点击查看答案
A.5Ω
B.7Ω
C.10Ω
D.12Ω
开始考试点击查看答案
和等效电阻
为()。
A.15V,5Ω
B.5V,5Ω
C.3V,5Ω
D.10V,5Ω
开始考试点击查看答案
和等效电阻
为()。
A.4V,4Ω
B.3V,4Ω
C.3V,3Ω
D.3V,2Ω
开始考试点击查看答案下图电路中,
=0时,I=2A,则当
=8A时,I为()。
A.4A
B.6A
C.8A
D.8.4A
开始考试点击查看答案电路如图所示,电压源
发出的功率为()
A.-60W
B.60W
C.-90W
D.90W
开始考试点击查看答案A.开路
B.短路
C.不变
D.均可
开始考试点击查看答案应用叠加定理求某支路电压、电流时,当某独立电源作用时,其他独立电源,如电流源应()。
A.开路
B.短路
C.不变
D.均可
开始考试点击查看答案A.开路
B.短路
C.不变
D.均可
开始考试点击查看答案国家电网考试专科高电压:高电压下气体、液体固体放电原理2
类别:高电压技术国家电网考试专科高电压:电气设备绝缘试验2
类别:高电压技术国家电网考试专科高电压:电介质的极化、电导和损耗
类别:高电压技术国家电网考试专科高电压:气体放电过程及其击穿特性
类别:高电压技术国家电网考试专科高电压:固体、液体和组合绝缘的击穿特性
类别:高电压技术国家电网考试专科高电压:电气设备的绝缘试验
类别:高电压技术国家电网考试专科高电压:线路和绕组中的波过程
类别:高电压技术国家电网考试专科高电压:雷电及防雷装置
类别:高电压技术国家电网考试专科高电压:电力系统的防雷保护
类别:高电压技术国家电网考试专科高电压:电力系统内部过电压
类别:高电压技术长理培训客户端 资讯,试题,视频一手掌握
去 App Store 免费下载 iOS 客户端