A.b两点,电压
=10V,a点电位为
=4V,则b点电位
为()。A.6V
B.-6V
C.14V
D.-14V
A.u=
B.u=-
C.u=R|i|
D.u=-
A.一定为正值
B.一定为负值
C.不能肯定是正值或负值
D.有时是正值.有时为或负值
开始考试点击查看答案A.线性
B.非线性
C.微分
D.积分
开始考试点击查看答案A.实际方向
B.参考方向
C.电位降方向
D.电压升方向
开始考试点击查看答案
A.-4/5V
B.-2V
C.4/5V
D.2V
开始考试点击查看答案
(t),与流过它的电流i无关的端元件称为()。A.电阻
B.电容
C.电压源
D.电流源
开始考试点击查看答案
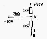
=()。
A.70V
B.-10V
C.60V
D.90V
开始考试点击查看答案A.电流参考方向与电压参考方向一致
B.电流参考方向与电压参考方向相反
C.电流实际方向与电压实际方向一致
D.电流实际方向与电压实际方向相反
开始考试点击查看答案A.变化变化
B.不变不变
C.不变变化
D.变化不变
开始考试点击查看答案设电路的电压与电流参考方向如图所示,已知U<0,1>0,则电压与电流的实际方向为()。
A.a点为高电位,电流由a至b
B.a点为高电位,电流由b至a
C.b点为高电位,电流由a至b
D.b点为高电位,电流由b至a
开始考试点击查看答案国家电网考试专科高电压:高电压下气体、液体固体放电原理2
类别:高电压技术国家电网考试专科高电压:电气设备绝缘试验2
类别:高电压技术国家电网考试专科高电压:电介质的极化、电导和损耗
类别:高电压技术国家电网考试专科高电压:气体放电过程及其击穿特性
类别:高电压技术国家电网考试专科高电压:固体、液体和组合绝缘的击穿特性
类别:高电压技术国家电网考试专科高电压:电气设备的绝缘试验
类别:高电压技术国家电网考试专科高电压:线路和绕组中的波过程
类别:高电压技术国家电网考试专科高电压:雷电及防雷装置
类别:高电压技术国家电网考试专科高电压:电力系统的防雷保护
类别:高电压技术国家电网考试专科高电压:电力系统内部过电压
类别:高电压技术长理培训客户端 资讯,试题,视频一手掌握
去 App Store 免费下载 iOS 客户端