A.5V
B.-0.2V
C.-1.2V
D.6.2V
A.14A;10A
B.0A;10A
C.10A;10A
D.10A;0A
开始考试点击查看答案A.9
B.3
C.1
D.0
A.0.25
B.0.75
C.1
D.2.25
A.6Ω
B.15Ω
C.34Ω
D.25Ω
A.3,12,12
B.12,3,3
C.3,3,12
D.无法确定
开始考试点击查看答案A.1Ω
B.2Ω
C.3Ω
D.4Ω
A.2Ω
B.4Ω
C.6Ω
D.-2Ω
A.1.5A
B.0.5A
C.-1.5A
D.-0.5A
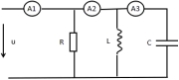
A.外部电流和外部电压同相位
B.电容和电感能量总和为零
C.电容电流和电感电流大小相等且相位相反
D.总输入导纳(模值)为最小值
开始考试点击查看答案A.线性
B.非线性
C.集总
D.分布
开始考试点击查看答案长理培训客户端 资讯,试题,视频一手掌握
去 App Store 免费下载 iOS 客户端