免费
推荐等级:
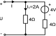
A.-6V
B.6V
C.4V
D.-4V
开始考试练习点击查看答案A.正比
B.反比
C.无关
D.不确定
开始考试练习点击查看答案
A.2A
B.-2A
C.4A
D.-4V
开始考试练习点击查看答案A.降低
B.升高
C.不变
D.不能确定
开始考试练习点击查看答案A.R=5Ω,C=0.0276F
B.R=0.2Ω,C=40F
C.R=5Ω,C=40F
D.R=0.2Ω,C=0.0276F
开始考试练习点击查看答案
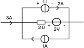
A.1A
B.-1A
C.3A
D.-3A
开始考试练习点击查看答案A.电阻性
B.电感性
C.电容性
D.电导性
开始考试练习点击查看答案A.基尔霍夫电流定律可推广应用于电路中任意一个假想封闭面
B.ΣI=0,正负号与事先标定的各支路电流的正负号是一致的
C.基尔霍夫定律适用于电路中任一闭合路径
D.基尔霍夫电流定律可用于所有电路
开始考试练习点击查看答案A.受控源可以作为电源在系统在独立出现
B.理想电压源的输出电压由负载电流与外电路共同决定
C.实际电流源的内阻越小,电源外特性越好
D.实际电压源的内阻越小,电源外特性越好
开始考试练习点击查看答案
A.0.5A
B.-1A
C.1.5A
D.3A
开始考试练习点击查看答案长理培训客户端 资讯,试题,视频一手掌握
去 App Store 免费下载 iOS 客户端