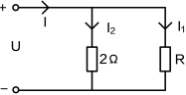
A.2V,5Ω
B.5V,2Ω
C.10V,5Ω
D.5V,10Ω
A.线性
B.非线性
C.集总
D.分布
开始考试点击查看答案A.外部电流和外部电压同相位
B.电容和电感能量总和为零
C.电容电流和电感电流大小相等且相位相反
D.总输入导纳(模值)为最小值
开始考试点击查看答案A.1.5A
B.0.5A
C.-1.5A
D.-0.5A
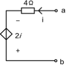
A.2Ω
B.4Ω
C.6Ω
D.-2Ω
A.1Ω
B.2Ω
C.3Ω
D.4Ω
A.0
B.1
C.-1
D.0.5
A.增大,增大
B.减小,减小
C.增大,减小
D.减小,增大
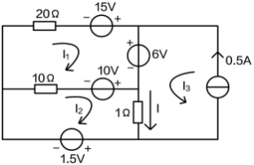
开始考试点击查看答案A.20
B.30
C.50
D.25
开始考试点击查看答案A.戴维宁定理可将复杂的有源线性二端电路等效为一个电压源与电阻并联的模型
B.求戴维宁等效电阻是将有源线性二端电路内部所有独立源置零后,从端口看进去的输入电阻
C.为了得到无源线性二端网络,可将有源线性二端网络内部的独立电压源短路,独立电流源开路
D.在化简有源线性二端网络为无源线性二端网络时,受控源应保持原样,不能置零
开始考试点击查看答案A.50+j10
B.50-10j
C.10+50j
D.10-j10
长理培训客户端 资讯,试题,视频一手掌握
去 App Store 免费下载 iOS 客户端