A.不确定
B.一定为0
C.一定不为0
D.取决电路结构
A.m-n
B.m-n-1
C.m-n+1
D.m+n
开始考试点击查看答案A.吸收10W,发出10W
B.吸收10W,吸收10W
C.发出10W,发出10W
D.发出10W,吸收10W

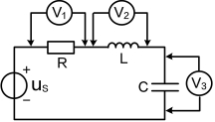
如图所示的电路中,已知三个交流电压表读数皆为 30V,求电源电压的有效值 为( )V。
A.10V
B.20V
C.30V
D.40V
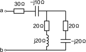
A.50+j10
B.50-10j
C.10+50j
D.10-j10
A.戴维宁定理可将复杂的有源线性二端电路等效为一个电压源与电阻并联的模型
B.求戴维宁等效电阻是将有源线性二端电路内部所有独立源置零后,从端口看进去的输入电阻
C.为了得到无源线性二端网络,可将有源线性二端网络内部的独立电压源短路,独立电流源开路
D.在化简有源线性二端网络为无源线性二端网络时,受控源应保持原样,不能置零
开始考试点击查看答案A.通直阻交
B.通交阻直
C.通交通直
D.阻直阻交
开始考试点击查看答案A.总电流是5A,电路呈容性
B.总电流是19A,电路呈容性
C.总电流是19A,电路呈感性
D.总电流是5A,电路呈感性
开始考试点击查看答案A.1.414
B.1A
C.2.12A
D.3A
i = 10
求此一端口的有功功率为( )。A.6582W
B.3291W
C.2424W
D.4218W
开始考试点击查看答案
A.20A ,200V
B.10
2A,200V
C.20
2 A,200V
D.10A,200V
开始考试点击查看答案长理培训客户端 资讯,试题,视频一手掌握
去 App Store 免费下载 iOS 客户端