A.700VA
B.100VA
C.500VA
A.125
B.250
C.500
D.1000
开始考试点击查看答案
的线绕电阻,其额定电流为( )。A.2500
B.100
C.1
D.0.1
开始考试点击查看答案
的电阻中通过2
的电流,试问电阻两端的电压是( )。A.10V
B.6mV
C.1.5V
D.6V
开始考试点击查看答案A.电感电压
B.电容电压
C.电容电流
开始考试点击查看答案A.零
B.无穷大
C.约几百千欧
D.以上都不对
开始考试点击查看答案
A.5V
B.4V
C.3V
D.2V
开始考试点击查看答案A.增强控制能力
B.控制能力不变
C.失去控制能力
D.它们之间没有关系
开始考试点击查看答案
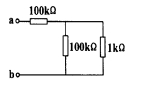
电路如图所示,根据工程近似的观点,A.b两点间的电阻值约等于( )。A.1kΩ
B.101kΩ
C.200kΩ
D.201kΩ
开始考试点击查看答案
A.-50V
B.-10V
C.10V
D.50V
开始考试点击查看答案A.电阻性
B.电感性
C.电容性
开始考试点击查看答案长理培训客户端 资讯,试题,视频一手掌握
去 App Store 免费下载 iOS 客户端