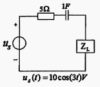
¥10.00
推荐等级:A.7.07V
B.5V
C.10V
D.14.14V
开始考试练习点击查看答案A.1
B.0.707
C.1.414
D.2
开始考试练习点击查看答案A.从某一最大值渐变到零
B.由某一最小值渐变到零
C.由某一最小值渐变到无穷大
D.保持某一定值不变
开始考试练习点击查看答案A.焦耳
B.20焦耳
C.25焦耳
D.40焦耳
开始考试练习点击查看答案A.2.5W
B.5W
C.10W
D.20W
开始考试练习点击查看答案电路如图所示,若=0则电流源
的电流相位与电容电流
的相位()。
A.同相
B.反相
C.正交
D.夹角的绝对值小于90度
开始考试练习点击查看答案A.
B.
C.
D.
电感性负载并联电容器提高电路功率因数后,线路电流减小了,则测量用电量的电能表走字速度将()。
A.不变
B.加快
C.减慢
D.不动
开始考试练习点击查看答案A.同相
B.超前
120°
C.反相
D.滞后
120°
A.电容电流与电感电流大小相等
B.电阻电流小于电感电流和电容电流
C.谐振状态下电源发出的无功功率为零
D.电阻越大,电路的品质因数越髙
开始考试练习点击查看答案国家电网考试专科高电压:高电压下气体、液体固体放电原理2
类别:高电压技术国家电网考试专科高电压:电气设备绝缘试验2
类别:高电压技术国家电网考试专科高电压:电介质的极化、电导和损耗
类别:高电压技术国家电网考试专科高电压:气体放电过程及其击穿特性
类别:高电压技术国家电网考试专科高电压:固体、液体和组合绝缘的击穿特性
类别:高电压技术国家电网考试专科高电压:电气设备的绝缘试验
类别:高电压技术国家电网考试专科高电压:线路和绕组中的波过程
类别:高电压技术国家电网考试专科高电压:雷电及防雷装置
类别:高电压技术国家电网考试专科高电压:电力系统的防雷保护
类别:高电压技术国家电网考试专科高电压:电力系统内部过电压
类别:高电压技术长理培训客户端 资讯,试题,视频一手掌握
去 App Store 免费下载 iOS 客户端