¥10.00
推荐等级:图所示电路,在开关S断开时,电容C两端的电压(参考方向自上而下)为()。
A.10V
B.0V
C.5V
D.-10V
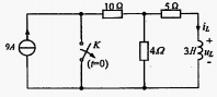
开始考试练习点击查看答案如图所示电路原处于稳态,求t≥0时的i等于()。
A.=4(1-
)A,t≥0
B.=-4
A,t≥0
C.=4(
)A,t≥0
D.=4(1-
)A,t≥0
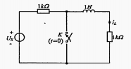
如图所示电路。t<0时电路已处于稳态,t=0时开关K闭合。求使的电源电压
的值()。
A.=40.17V
B.=40.17
V
C.=40.17/
V
D.=20.085V
A.10(1+)
B.20-15)
C.20-10
D.-10
A.2(A)
B.(A)
C.2(A)
D.(A)
A.充电快于放电
B.充电慢于放电
C.两过程快慢相同
D.无法比较
开始考试练习点击查看答案A.0A
B.2.5A
C.0.24A
D.0.2A
开始考试练习点击查看答案A.2s
B.0.58
C.3/2s
D.2/3s
开始考试练习点击查看答案A.0V
B.10V
C.-10V
D.2.5V
开始考试练习点击查看答案A.电源
B.电阻
C.初始条件
D.储能元件
开始考试练习点击查看答案国家电网考试专科高电压:高电压下气体、液体固体放电原理2
类别:高电压技术国家电网考试专科高电压:电气设备绝缘试验2
类别:高电压技术国家电网考试专科高电压:电介质的极化、电导和损耗
类别:高电压技术国家电网考试专科高电压:气体放电过程及其击穿特性
类别:高电压技术国家电网考试专科高电压:固体、液体和组合绝缘的击穿特性
类别:高电压技术国家电网考试专科高电压:电气设备的绝缘试验
类别:高电压技术国家电网考试专科高电压:线路和绕组中的波过程
类别:高电压技术国家电网考试专科高电压:雷电及防雷装置
类别:高电压技术国家电网考试专科高电压:电力系统的防雷保护
类别:高电压技术国家电网考试专科高电压:电力系统内部过电压
类别:高电压技术长理培训客户端 资讯,试题,视频一手掌握
去 App Store 免费下载 iOS 客户端