¥10.00
推荐等级:A.76.2A
B.38A
C.44A
D.25.4A
开始考试练习点击查看答案A.4500W
B.1500kW
C.3000kW
D.9000kW
开始考试练习点击查看答案A.11.6kW
B.3.87kW
C.7kW
D.0W
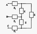
开始考试练习点击查看答案图示三相对称电路中,三相交流电源的相电压为220V,Z=38Q2,电源的线电流
为()
A.5A
B.10A
C.5
D.10
A.大小、相位都相等
B.大小相等、线电流超前相应的相电流
C.线电流大小为相电流大小的倍、线电流超前相应的相电流
D.线电流大小为相电流大小的倍、线电流滞后相应的相电流
A.38
B..22
C.38
D.22
开始考试练习点击查看答案A.7.9A
B.9.9A
C.4.6A
D.5.6A
开始考试练习点击查看答案A.1800VA
B.450VA
C.450W
D.1800W
开始考试练习点击查看答案A.380V
B.0V
C.380/3V
D.无法计算
开始考试练习点击查看答案对称三相电源的相电压为220V。A相接入-一只11Ω的电阻,B、C相各接入一只22Ω的电阻,当中线断开后,试求A相负载的电压为()。
A.55V
B.110V
C.165V
D.220V
开始考试练习点击查看答案国家电网考试专科高电压:高电压下气体、液体固体放电原理2
类别:高电压技术国家电网考试专科高电压:电气设备绝缘试验2
类别:高电压技术国家电网考试专科高电压:电介质的极化、电导和损耗
类别:高电压技术国家电网考试专科高电压:气体放电过程及其击穿特性
类别:高电压技术国家电网考试专科高电压:固体、液体和组合绝缘的击穿特性
类别:高电压技术国家电网考试专科高电压:电气设备的绝缘试验
类别:高电压技术国家电网考试专科高电压:线路和绕组中的波过程
类别:高电压技术国家电网考试专科高电压:雷电及防雷装置
类别:高电压技术国家电网考试专科高电压:电力系统的防雷保护
类别:高电压技术国家电网考试专科高电压:电力系统内部过电压
类别:高电压技术长理培训客户端 资讯,试题,视频一手掌握
去 App Store 免费下载 iOS 客户端