¥10.00
推荐等级:A.正确
B.错误
开始考试练习点击查看答案A.正确
B.错误
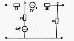
开始考试练习点击查看答案图示电路中,电流为()A
A.1.27
B.2.5
C.15
D.7
开始考试练习点击查看答案图示电路用回路电流法求I,最少列写()个方程.
A.2
B.1
C.3
D.4
开始考试练习点击查看答案图示电路列些节点方程,BC间互导应为()S.
A.2
B.3
C.-14
D.-3
开始考试练习点击查看答案A.10
B.-10
C.12
D.-12
开始考试练习点击查看答案国家电网考试专科高电压:高电压下气体、液体固体放电原理2
类别:高电压技术国家电网考试专科高电压:电气设备绝缘试验2
类别:高电压技术国家电网考试专科高电压:电介质的极化、电导和损耗
类别:高电压技术国家电网考试专科高电压:气体放电过程及其击穿特性
类别:高电压技术国家电网考试专科高电压:固体、液体和组合绝缘的击穿特性
类别:高电压技术国家电网考试专科高电压:电气设备的绝缘试验
类别:高电压技术国家电网考试专科高电压:线路和绕组中的波过程
类别:高电压技术国家电网考试专科高电压:雷电及防雷装置
类别:高电压技术国家电网考试专科高电压:电力系统的防雷保护
类别:高电压技术国家电网考试专科高电压:电力系统内部过电压
类别:高电压技术长理培训客户端 资讯,试题,视频一手掌握
去 App Store 免费下载 iOS 客户端