¥10.00
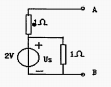
推荐等级:如图=6V时,通过R的电流为5A,
=0V时,通过R的电流为2A若将
增加到12V,问通过R的电流是()A?
A.8
B.10
C.12
D.5
开始考试练习点击查看答案已知R=14,求电流I=()。
A.2A
B.1.4A
C.1.6A
D.4A
开始考试练习点击查看答案一个实际直流电压源,其开路电压=24V,短路电流
=30A,则当外接1.2Ω电阻时,其电流为()。
A.12A
B.20A
C.10A
D.15A
开始考试练习点击查看答案A.交流电路
B.直流电路
C.线性电路
D.非线性电路
开始考试练习点击查看答案A.弥尔曼定理
B.戴维南定理
C.叠加定理
D.诺顿定理
开始考试练习点击查看答案A.对外电路等效还是对内电路等效应视具体情况而定
B.对内电路等效
C.对内、外电路都等效
D.对外电路等效
开始考试练习点击查看答案A.=1A,R=2Ω
B.=1A,R=1Ω
C.=2A,R=1ΩD
=2A,R=2Ω
A.3mA
B.4mA
C.-3mA
D.-4mA
开始考试练习点击查看答案A.不作用的电压源用开路替代,不作用的电流源用开路替代。
B.不作用的电压源用短路替代,不作用的电流源用开路替代。
C.不作用的电压源用短路替代,不作用的电流源用短路替代。
D.不作用的电压源用开路替代,不作用的电流源用短路替代。
开始考试练习点击查看答案图示网络的戴维南等效电路为()。
A.
B.
C.
D.
国家电网考试专科高电压:高电压下气体、液体固体放电原理2
类别:高电压技术国家电网考试专科高电压:电气设备绝缘试验2
类别:高电压技术国家电网考试专科高电压:电介质的极化、电导和损耗
类别:高电压技术国家电网考试专科高电压:气体放电过程及其击穿特性
类别:高电压技术国家电网考试专科高电压:固体、液体和组合绝缘的击穿特性
类别:高电压技术国家电网考试专科高电压:电气设备的绝缘试验
类别:高电压技术国家电网考试专科高电压:线路和绕组中的波过程
类别:高电压技术国家电网考试专科高电压:雷电及防雷装置
类别:高电压技术国家电网考试专科高电压:电力系统的防雷保护
类别:高电压技术国家电网考试专科高电压:电力系统内部过电压
类别:高电压技术长理培训客户端 资讯,试题,视频一手掌握
去 App Store 免费下载 iOS 客户端