免费
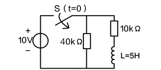
A.电路有储能元件 L,要产生过渡过程
B.电路有储能元件,且发生换路,要产生过渡过程
C.因为换路时元件 L的电流储能不发生变化,所以该电路不产生过渡过程
D.因为换路时元件 L的电流储能发生变化,所以该电路产生过渡过程
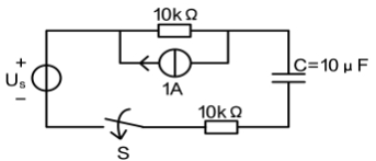
A.0. 1s
B.0.2s
C.0.5s
D.1s
A.0.5ms
B.0. 1s
C.0. 1ms
D.0.5s
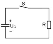
A.a
B.b
C.c
D.d
2024年6月4日每天4题
2024年6月3日每天4题
2024年6月2日每天4题
2024年6月1日每天4题
2024年5月31日每天4题
2024年5月30日每天4题
2024年5月29日每天4题
2024年5月28日每天4题
2024年5月27日每天4题
2024年5月26日每天4题
2023年12月20日每天4题
2023年12月14日每天4题
2023年12月28日每天4题
2024年1月26日每天4题
2023年12月21日每天4题
2024年1月23日每天4题
2023年12月13日
2024年1月22日每天4题
2024年1月24日每天4题
2023年12月25日每天4题
报班培训
网课学习
免费资料
老师解答
长理培训客户端 资讯,试题,视频一手掌握
首页
网课
题库
个人中心