免费
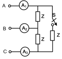
推荐等级:A.A1 等于 10A,A2 等于 17.3A ,A3 等于 10A
B.A1 等于 17.3A,A2 等于 10A ,A3 等于 17.3A
C.A1 等于 10A ,A2 等于 10A ,A3 等于 10A
D.A1 等于 17.3A ,A2 等于 17.3A ,A3 等于 17.3A
A.2.2sin ( 314t+23° ) A
B.2.2sin ( 314t-23° ) A
C.2.2sin ( 314t-53° ) A
D.2.2sin ( 314t+53° ) A
开始考试练习点击查看答案A.将三角形负载和电源均变换为星形
B.将星形负载和电源均变换为三角形
C.用短路线连接所有中性点,画出一相等效电路进行计算
D.根据对称性推算其他两相电压和电流
开始考试练习点击查看答案A.同频率
B.等幅值
C.初相位依次滞后 120°
D.初相位依次滞后 180°
开始考试练习点击查看答案长理培训客户端 资讯,试题,视频一手掌握
去 App Store 免费下载 iOS 客户端