¥60.00
推荐等级:A.单相重合闸
B.三相重合闸
C.两相重合闸
D.综合重合闸
开始考试练习点击查看答案A.电流变化率
B.负序零序分量是否出现
C.负序零序分量的增量
D.阻抗大小的变化
开始考试练习点击查看答案A.123
B.132
C.321
D.231
开始考试练习点击查看答案A.立即动作
B.延时动作
C.不应动作
D.视短路时间长短而定
开始考试练习点击查看答案A.正方向元件动作,反方向元件不动作,收到闭锁信号后信号又消失
B.正方向元件动作,反方向元件不动作,没有收到闭锁信号
C.正、反方向元件均动作,没有收到闭锁信号
D.正、反方向元件均不动作,没有收到闭锁信号
开始考试练习点击查看答案A.远高于
B.略高于
C.等于
D.低于
开始考试练习点击查看答案A.0
B.Z₂ +Z₀
C.Z₂
D.
A.单母线
B.单母线分段
C.双母线
D.3/2接线
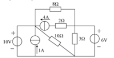
开始考试练习点击查看答案A.-70W
B.35W
C.70W
D.-35W
开始考试练习点击查看答案A.距离纵联保护一段
B.全阻抗圆特性距离纵联保护二段
C.距离纵联保护三段
D.偏移特性的距离纵联保护二段
开始考试练习点击查看答案长理培训客户端 资讯,试题,视频一手掌握
去 App Store 免费下载 iOS 客户端