¥60.00
推荐等级:A.远小于 1
B.不确定
C.远大于 1
D.约等于1
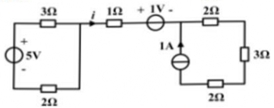
开始考试练习点击查看答案A.5.8A
B.10A
C.7.9A
D.2.9A
开始考试练习点击查看答案A.隔离电源
B.倒闸操作
C.接通和断开小电流电路
D.可以带电操作
开始考试练习点击查看答案A.m-n
B.m-n-1
C.m-n+1
D.m+n
开始考试练习点击查看答案A.任意有源网络
B.可等效为电流源与电阻并联
C.可用于含内阻的电压源网络
D.可用于含受控源的有源网络
开始考试练习点击查看答案A.0
B.1
C.-1
D.0.5
开始考试练习点击查看答案A.
B.
C.
D.
A.110kV 及以上系统中性点直接接地,称为大电流接地方式
B.发电机作为直接配电电源,总是接在线路的首端
C.电力线路和它两边连接的变压器,称为输配电网,简称电网
D.因为输电线路含有对地电容,为了使接地电流为零(忽略电阻性元件),将补偿的感抗等于容抗,即采用全补偿方式
开始考试练习点击查看答案A.减小电抗
B.增大电阻
C.减小电纳
D.增大电抗
开始考试练习点击查看答案A.变压器
B.断路器
C.输电线路
D.隔离开关
开始考试练习点击查看答案长理培训客户端 资讯,试题,视频一手掌握
去 App Store 免费下载 iOS 客户端