¥10.00
推荐等级:A.电压分点
B.电流分点
C.功率分点
D.电抗分点
开始考试练习点击查看答案A.成正比
B.成反比
C.无关
D.其他三个选项都不是
开始考试练习点击查看答案A.电压分布和功率分布
B.电流分布和功率分布
C.功率分布
D.电压分布
开始考试练习点击查看答案A.高于
B.低于
C.等于
D.不能确定
开始考试练习点击查看答案A.增大线路有功功率
B.增大线路无功功率
C.提高线路两端电压
D.增大输电线路的电阻
开始考试练习点击查看答案A.2.86%
B.2.94%
C.3%
D.5%
开始考试练习点击查看答案A.阻抗
B.电抗
C.电阻
D.导纳
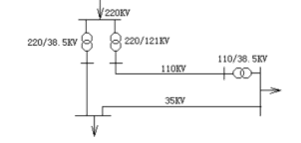
开始考试练习点击查看答案图示环网中变压器的变比均为实际变比,对于环网中的循环功率,正确的说法是( )。
A.无循环功率
B.有逆时针循环功率
C.有顺时针循环功率
D.循环功率看运行情况而定
开始考试练习点击查看答案A.无功功率
B.有功功率
C.视在功率
D.所带负荷
开始考试练习点击查看答案A.以其容抗抵偿线路的感抗
B.限流,避免该线路过载
C.产生环流或强制循环功率
D.提高暂态稳定
开始考试练习点击查看答案长理培训客户端 资讯,试题,视频一手掌握
去 App Store 免费下载 iOS 客户端