¥10.00
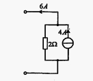
推荐等级:【题目ID:51】.如图所示电路中,=6Ω,
,
=6Ω,
=10Ω,则b两端的电阻<img src="https://www.changlipeixun.com/d/file/2024/10-07/1728273575594957.png" title="1728273575594957.png"/>阻值为()。<img src="https://www.changlipeixun.com/d/file/2024/10-07/1728273575562261.jpg" title="1728273575562261.jpg"/>A.
A.29Ω
B.10Ω
C.5Ω
D.7Ω
开始考试练习点击查看答案A.正确
B.错误
开始考试练习点击查看答案A.2V
B.3V
C.1V
D.0
开始考试练习点击查看答案A.正确
B.错误
开始考试练习点击查看答案A.32W
B.-32W
C.16W
D.-16W
开始考试练习点击查看答案A.3A
B.5.5A
C.6.1A
D.12.2A
开始考试练习点击查看答案A.3,3,4
B.6,3,4
C.6,3,3
D.3,3,6
开始考试练习点击查看答案A.2A
B.1.4A
C.1.6A
D.4A
开始考试练习点击查看答案A.6V
B.-4V
C.8V
D.5V
开始考试练习点击查看答案A.、
都发出功率
B.、
都吸收功率
C.发出功率,
不一定
D.发出功率,
不一定
长理培训客户端 资讯,试题,视频一手掌握
去 App Store 免费下载 iOS 客户端