¥10.00
推荐等级:A.27A
B.9A
C.1A
D.0A
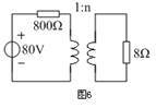
开始考试练习点击查看答案A.30Ω
B.20Ω
C.15Ω
D.10Ω
开始考试练习点击查看答案A.只有不变
B.只有不变
C.只有不变
D.P、U、I都不变
开始考试练习点击查看答案A.10
B.100
C.0.1
D.0.01
开始考试练习点击查看答案A.W
B.10W
C.3W
D.5W
开始考试练习点击查看答案A.10
B.1
C.100
D.1000
开始考试练习点击查看答案A.
B.
C.
D.
A.0.5 s
B.
C.0.6 s
D.0.4 s
开始考试练习点击查看答案A. 21 H
B.4.58 H
C.7 H
D.3 H
开始考试练习点击查看答案A.
B.
C.
D.
长理培训客户端 资讯,试题,视频一手掌握
去 App Store 免费下载 iOS 客户端