¥50.00
推荐等级:
(0.5)A.5
B.6
C.7
D.8
开始考试练习点击查看答案
,将导致()。
(0.5)A.
增大,
增大
B.
减小,
减小
C.
不变,
减小
D.
不变,
增大
A.分支系数等于故障线路流过的短路电流与前一级保护线路上流过的短路电流之比
B.只有助增现象时,分支系数大于1;只有外汲现象时,分支系数小于1
C.在对距离II段和限时电流速断保护进行整定计算时,分支系数取最小值
D.在距离II段的灵敏系数校验时,分支系数取最大值
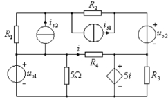
开始考试练习点击查看答案A.900
B.600
C.480
D.720
开始考试练习点击查看答案
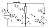
(0.5)A.-180
B.180
C.-100
D.100
开始考试练习点击查看答案A.
B.
C.
D.以上都不是
开始考试练习点击查看答案A.短路电流中包含有周期分量和非周期分量两种,两种分量都不随时间衰减
B.短路电流中包含有周期分量和非周期分量两种,两种分量都随时间逐渐衰减到零
C.短路电流中仅包含周期分量
D.短路电流中包含有周期分量和非周期分量两种,其中周期分量幅值保持不变,非周期分量随时间衰减到零
开始考试练习点击查看答案A.三角形
B.星形
C.三角形或星形均可
D.开口三角形
开始考试练习点击查看答案A.单母线
B.运行方式经常改变的双母线
C.不经常倒闸操作的双母线
D.经常以一组母线运行的双母线
开始考试练习点击查看答案A.发电机的调速系统完成
B.负荷的频率特性来完成
C.发电机的调频系统完成
D.100
开始考试练习点击查看答案长理培训客户端 资讯,试题,视频一手掌握
去 App Store 免费下载 iOS 客户端