¥50.00
推荐等级:A.隔离电源
B.倒闸操作
C.接通和断开小电流电路
D.可以带电操作
开始考试练习点击查看答案A.增大
B.减小
C.不变
D.先增大后减小
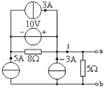
开始考试练习点击查看答案A.20
B.30
C.50
D.25
开始考试练习点击查看答案
(0.5)A.5
B.10
C.20
D.40
开始考试练习点击查看答案A.加限流电抗器
B.加限压电抗器
C.加限流电容器
D.加限压电容器
开始考试练习点击查看答案A.考虑非周期分量的影响
B.实际的短路电流可能小于计算值
C.保护装置的实际动作值可能小于整定值
D.考虑一定的裕度
开始考试练习点击查看答案
,负载
,则相电压
( )。
(0.5)A.
B.
C.
D.
A.正序和负序并联
B.正序负序零序串联
C.正序负序零序并联
D.负序正序并联再和零序串联
开始考试练习点击查看答案A.熔断器
B.断路器
C.隔离开关
D.负荷开关
开始考试练习点击查看答案A.速动性
B.灵敏性
C.可靠性
D.灵敏性和可靠性
开始考试练习点击查看答案长理培训客户端 资讯,试题,视频一手掌握
去 App Store 免费下载 iOS 客户端