¥100.00
推荐等级:A.220KV和110KV
B.220KV和115KV
C.242KV和121KV
D.220KV和121KV
开始考试练习点击查看答案A.比耗量
B.耗量特性
C.耗量微增率
D.等耗量微增率
开始考试练习点击查看答案A.无明显雷电活动,空气处于绝缘状态
B.空气被击穿,伴随雷电现象
C.出现电晕放电,但无雷电
D.大气电场不稳定,仅产生雷声无闪电
开始考试练习点击查看答案A.线路故障切除后,断路器重合闸
B.电网参数发生谐振,电压持续升高
C.空载变压器突然分闸,绕组产生过电压
D.间隙电弧接地后,电弧熄灭与重燃
开始考试练习点击查看答案
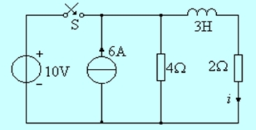
时刻闭合,开关动作前电路已处于稳态,求
时的
为: ()。
(0.5)A.
B.
C.
D.
A.电化学击穿
B.热击穿
C.电击穿
D.绝缘老化击穿
开始考试练习点击查看答案A.绕组
B.铁芯
C.油
D.油箱
开始考试练习点击查看答案A.可以用
B.不能用
C.有条件的使用
D.无法确定
开始考试练习点击查看答案A.电压与频率成正比
B.电压与频率成反比
C.电压不变,频率变化
D.频率不变,电压变化
开始考试练习点击查看答案A.励磁磁动势变大
B.铁芯过饱和
C.磁通变为尖顶波
D.二次电压变为尖顶波
开始考试练习点击查看答案长理培训客户端 资讯,试题,视频一手掌握
去 App Store 免费下载 iOS 客户端