¥100.00
推荐等级:A.限制母线回路中的短路电流
B.吸收多余的无功功率
C.改善母线的电压质量
D.改进用户的功率因数
开始考试练习点击查看答案A.油浸自冷
B.油浸风冷
C.强迫油循环水冷
D.强迫油循环风冷
开始考试练习点击查看答案A.补偿接地电容电流,熄灭接地电弧
B.提高电网电压,改善供电质量
C.限制短路电流,保护断路器
D.消除潜供电流,提高重合闸成功率
开始考试练习点击查看答案
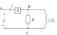
,则其阻抗角j为( )。(每题0.5分)(0.5)A.
B.
C.
D.
为( )A。
(每题0.5分)(0.5)A.0.2
B.-0.2
C.0.6
D.-0.6
开始考试练习点击查看答案A.超前
B.滞后
C.同相
D.无关
开始考试练习点击查看答案
W,则
与总电压
的相位关系为( )。
(每题 0.5分)(0.5)A.
滞后于
度
B.
超前于
度
C.
滞后于
度
D.
超前于
度
A.不接地
B.直接接地
C.经消弧线圈接地
D.经高阻接地
开始考试练习点击查看答案
,
,且
与
同相,则复阻抗Z为( )。
(每题 0.5分)(0.5)A.
B.
C.
D.
A.感性滞后
B.容性超前
C.纯电阻
D.无法确定
开始考试练习点击查看答案长理培训客户端 资讯,试题,视频一手掌握
去 App Store 免费下载 iOS 客户端