¥100.00
推荐等级:A.0~π
B.0~90
C.0~φ
D.φ~π
开始考试练习点击查看答案A.导通状态
B.关断状态
C.饱和状态
D.不定
开始考试练习点击查看答案A.2.0
B.1.0
C.0.5
D.1.5
开始考试练习点击查看答案A.负载电压ud 降至到 0 的瞬间
B.停止施加触发脉冲的时间
C.负载电流id 降低到 0 的时间
D.电源电压有正值变为负值的时间
开始考试练习点击查看答案A.晶闸管
B.电力场效应晶体管
C.绝缘栅双极型晶体管
D.电力晶体管
开始考试练习点击查看答案A.直流信号;10/3ms
B.四次谐波; 10/3ms
C.六次谐波;5ms
D.四次谐波;5ms
开始考试练习点击查看答案A.两组母线的差流回路都不能客观准确地反映两组母线上实际电流流入和流出值
B.当一组母线故障时,仍可以保证有选择性地只切除故障的一组母线
C.当一组母线故障时,只有大差动动作,小差动不动作,切除两组母线
D.区外故障时,大差动和两个小差动都动作,切除两组母线
开始考试练习点击查看答案
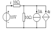
(0.5)A.0.33
B.-0.33
C.0.667
D.-0.667
开始考试练习点击查看答案A.负载分配不均
B.绕组产生巨大环流
C.电压调整率增大
D.效率下降
开始考试练习点击查看答案A.6kV
B.10kV
C.35kV
D.220kV
开始考试练习点击查看答案长理培训客户端 资讯,试题,视频一手掌握
去 App Store 免费下载 iOS 客户端