¥100.00
推荐等级:A.升高
B.降低
C.不变
D.先升高后降低
开始考试练习点击查看答案A.铁磁谐振
B.线性谐振
C.参数谐振
D.甩负荷过电压
开始考试练习点击查看答案
(每题 0.5 分)(0.5)A.3
B.6
C.9
D.12
开始考试练习点击查看答案A.熔断器
B.隔离开关
C.断路器
D.接触器
开始考试练习点击查看答案A.通常采用相邻元件的保护作近后备保护。
B.断路器 QF 拒动时,由本端保护的远后备动作
C.断路器 QF 拒动时,由近后备保护动作。
D.主保护可以有多套。
开始考试练习点击查看答案A.维持短路时母线电压
B.维持正常运行时母线电压;
C.不影响
D.其它
开始考试练习点击查看答案A.电源电压增大时,励磁电抗增大
B.变压器短路时,励磁电抗减小
C.铁心质量好,励磁电抗小
D.电源频率增大时,励磁电抗增大
开始考试练习点击查看答案A.电抗器前
B.电抗器后
C.和电抗器位置无关
D.以上都不是
开始考试练习点击查看答案A.731.750
B.975.1000
C.1463.1500
D.2925.3000
开始考试练习点击查看答案
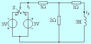
时刻从
掷向
,开关动作前电路已处于稳态。下列选项错误的是( )。
(每题0.5分)(0.5)A.
B.
C.
D.
长理培训客户端 资讯,试题,视频一手掌握
去 App Store 免费下载 iOS 客户端