¥10.00
推荐等级:A.
B.
C.
D.
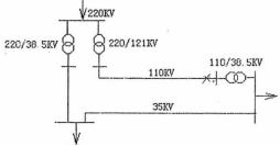
A.10/110KV;
B.10.5/110KV;
C.10/121KV
D.10.5/121KV;
开始考试练习点击查看答案A.π等值电路比T型等值电路更精确;
B.采用π等值电路可以减少电力系统等值电路的节点总数;
C.采用π等值电路可以增加电力系统的节点总数;
D.电力系统运行方式改变时,采用π等值电路更方便节点导纳矩阵的修改。
开始考试练习点击查看答案A.减小线路电抗
B.增大线路电纳;
C.减小线路电阻
D.改善输电线路的电晕条件。
开始考试练习点击查看答案A.UK%
B.I0%
C.ΔP0
D.ΔPK
开始考试练习点击查看答案A.
B.
C.
D.
A.恒功率模型;
B.恒电压模型;
C.恒电流模型;
D.恒阻抗模型。
开始考试练习点击查看答案A.末端电压低于首端电压;
B.末端电压高于首端电压;
C.末端电压等于首端电压;
D.不能确定首末端电压之间的关系。
开始考试练习点击查看答案
A.无循环功率;
B.有逆时针方向的循环功率;
C.有顺时针方向的循环功率;
D.有循环功率,但方向无法确定。
开始考试练习点击查看答案
A.网络的潮流分布可以调控;
B.网络的潮流分布不可以调控:
C.网络的潮流分布由线路长度决定;
D.网络的潮流分布由线路阻抗确定。
开始考试练习点击查看答案长理培训客户端 资讯,试题,视频一手掌握
去 App Store 免费下载 iOS 客户端