¥10.00
推荐等级:A.27A
B.9A
C.1A
D.0A
开始考试练习点击查看答案A.30Ω
B.20Ω
C.15Ω
D.10Ω
开始考试练习点击查看答案A.只有
不变
B.只有
不变
C.只有
不变
D.P、U、I都不变
开始考试练习点击查看答案
A.10
B.100
C.0.1
D.0.01
开始考试练习点击查看答案
A.
W
B.10W
C.3W
D.5W
开始考试练习点击查看答案
,电路谐振时,
( )。
A.10
B.1
C.100
D.1000
开始考试练习点击查看答案
A.2
B.3
C.1/2
D.1/3
开始考试练习点击查看答案
A.8A
B.2A
C.-2A
D.4A
开始考试练习点击查看答案A.减小;变暗
B.减小;变亮
C.增大;变亮
D.不变;不变
开始考试练习点击查看答案
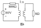
获得最大功率时,
应为( )。
A.
B.
C.
D.
长理培训客户端 资讯,试题,视频一手掌握
去 App Store 免费下载 iOS 客户端