¥10.00
推荐等级:A.AB线路的I段定值位1200A
B.AB线路的Ⅱ段定值为528A
C.AB线路Ⅱ段的灵敏度1.51
D.AB线路的Ⅱ段定值为880A
开始考试练习点击查看答案A.不受运行方式影响
B.能实现全线路速动跳闸
C.广泛运用于35kV以下电压等级电网
D.都是反应于电流升高而动作的保护装置
开始考试练习点击查看答案A.保护范围与过渡阻抗有关
B.系统最小方式下的保护范围最大
C.系统最大方式下的保护范围最大
D.保护范围不受故障类型的影响
开始考试练习点击查看答案A.变大
B.变小
C.不变
开始考试练习点击查看答案
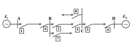
A.保护6
B.保护2
C.保护5
D.保护3
开始考试练习点击查看答案A.保护6
B.保护2
C.保护5
D.保护3
开始考试练习点击查看答案A.在多电源网络及单电源环网中能保证选择性
B.快速性和灵敏性与单侧电源网络的电流保护相同
C.构成较复杂,可靠性稍差,且增加投资
D.出口三相短路时,方向元件有死区,使保护有死区
开始考试练习点击查看答案A.只加入电压,或只加入电流的情况下,功率方向继电器就能够动作的现象,称为潜动。
B.只加电流不加电压时所产生的潜动称为电流潜动。
C.只加电压不加电流时所产生的潜动称为电压潜动。
D.潜动现象对保护的正确动作不产生影响。
开始考试练习点击查看答案A.输电线路的零序阻抗
B.中性点接地变压器的零序阻抗
C.电源的数目和位置
D.变压器中性点接地的数目及位置
开始考试练习点击查看答案A.零序电流保护受系统运行方式变化的影响小,保护范围大且相对稳定
B.单相重合闸的过程中可能误动
C.对短线路或运行方式变化很大时,保护往往不能满足要求
D.零序过电流保护灵敏度高,动作时间短
开始考试练习点击查看答案长理培训客户端 资讯,试题,视频一手掌握
去 App Store 免费下载 iOS 客户端