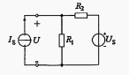
图示电路中,5A电流源提供的功率为()。
A.-87.5W
B.17.5W
C.75W
D.87.5W
A.
B.
C.
D.
A.外电路电阻
B.除源后的入端电阻
C.电源内阻
D.等效前两端电阻
开始考试点击查看答案图示电路可等效为()。
A.
B.
C.
D.
具有一定内阻的电压表测出实际电源的端电压为6V,则该电源的开路电压比6V().
A.稍大
B.稍小
C.严格相等
D.小很多
开始考试点击查看答案A.
B.
C.
D.
A.
B.
C.
D.上述三者均有可能
开始考试点击查看答案电源电动势是2V,内电阻是0.1Ω,当外电路断开时,电路中电流和端电压分别是()
A.0、2V
B.20A、2
C.20A、0
D.0、0
开始考试点击查看答案A.U=25+1
B.U=25-I
C.U=-25-I
D.U=-25+I
开始考试点击查看答案如下图所示电路,已知当=9Ω时它获得最大功率,试求N内的戴维宁等效电路的等效电阻
为()。
A.30Ω
B.60Ω
C.90Ω
D.120Ω
开始考试点击查看答案如图=6V时,通过R的电流为5A,
=0V时,通过R的电流为2A若将
增加到12V,问通过R的电流是()A?
A.8
B.10
C.12
D.5
开始考试点击查看答案国家电网考试专科高电压:高电压下气体、液体固体放电原理2
类别:高电压技术国家电网考试专科高电压:电气设备绝缘试验2
类别:高电压技术国家电网考试专科高电压:电介质的极化、电导和损耗
类别:高电压技术国家电网考试专科高电压:气体放电过程及其击穿特性
类别:高电压技术国家电网考试专科高电压:固体、液体和组合绝缘的击穿特性
类别:高电压技术国家电网考试专科高电压:电气设备的绝缘试验
类别:高电压技术国家电网考试专科高电压:线路和绕组中的波过程
类别:高电压技术国家电网考试专科高电压:雷电及防雷装置
类别:高电压技术国家电网考试专科高电压:电力系统的防雷保护
类别:高电压技术国家电网考试专科高电压:电力系统内部过电压
类别:高电压技术长理培训客户端 资讯,试题,视频一手掌握
去 App Store 免费下载 iOS 客户端