电源电动势是2V,内电阻是0.1Ω,当外电路断开时,电路中电流和端电压分别是()
A.0、2V
B.20A、2
C.20A、0
D.0、0
A.
B.
C.
D.上述三者均有可能
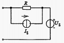
开始考试点击查看答案图示电路中,5A电流源提供的功率为()。
A.-87.5W
B.17.5W
C.75W
D.87.5W
开始考试点击查看答案A.
B.
C.
D.
A.外电路电阻
B.除源后的入端电阻
C.电源内阻
D.等效前两端电阻
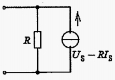
开始考试点击查看答案图示电路可等效为()。
A.
B.
C.
D.
A.U=25+1
B.U=25-I
C.U=-25-I
D.U=-25+I
开始考试点击查看答案如下图所示电路,已知当=9Ω时它获得最大功率,试求N内的戴维宁等效电路的等效电阻
为()。
A.30Ω
B.60Ω
C.90Ω
D.120Ω
开始考试点击查看答案如图=6V时,通过R的电流为5A,
=0V时,通过R的电流为2A若将
增加到12V,问通过R的电流是()A?
A.8
B.10
C.12
D.5
开始考试点击查看答案已知R=14,求电流I=()。
A.2A
B.1.4A
C.1.6A
D.4A
开始考试点击查看答案一个实际直流电压源,其开路电压=24V,短路电流
=30A,则当外接1.2Ω电阻时,其电流为()。
A.12A
B.20A
C.10A
D.15A
开始考试点击查看答案国家电网考试专科高电压:高电压下气体、液体固体放电原理2
类别:高电压技术国家电网考试专科高电压:电气设备绝缘试验2
类别:高电压技术国家电网考试专科高电压:电介质的极化、电导和损耗
类别:高电压技术国家电网考试专科高电压:气体放电过程及其击穿特性
类别:高电压技术国家电网考试专科高电压:固体、液体和组合绝缘的击穿特性
类别:高电压技术国家电网考试专科高电压:电气设备的绝缘试验
类别:高电压技术国家电网考试专科高电压:线路和绕组中的波过程
类别:高电压技术国家电网考试专科高电压:雷电及防雷装置
类别:高电压技术国家电网考试专科高电压:电力系统的防雷保护
类别:高电压技术国家电网考试专科高电压:电力系统内部过电压
类别:高电压技术长理培训客户端 资讯,试题,视频一手掌握
去 App Store 免费下载 iOS 客户端