电阻 R1,R2 ,R3 并联时的等效电阻为 R1R2R3/ (R1+ R2+ R3) ( ) 。
A.正确
B.错误
A.总电阻为各分电阻的倒数之和
B.总电压与各分电压相等
C.总电流为各分电流之和
D.消耗的总功率为各电阻功率之和
开始考试点击查看答案图所示电路,Z1=Z2=Z3=2Ω ,Z4=Z5= 10Ω ,Z6=3Ω ,Z7=6Ω ,则输入阻抗 Zin 为 ( ) Ω。
A.25
B.5
C.20
D.10
开始考试点击查看答案如图所示电路的等效电阻 Req 为 ( ) Ω。
A.2
B.5
C.10
D.2.5
开始考试点击查看答案标明“100Ω ,4W”和“100Ω ,25W”的两个电阻串联时,允许加的最大电压 为 ( ) 。
A.40V
B.70V
C.60V
D.140V
开始考试点击查看答案如图所示的电路中,A 点的电位应为 ( ) 。
A.6V
B.-4V
C.8V
D.5V
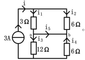
开始考试点击查看答案电路如下图所示,下列说法正确的是 ( ) 。
A. i1= 1A ;i2=2A
B. B.i1=2A ;i2=2A
C. i1=2A ;i3= 1A
D.i1= 1A ;i3=2A
开始考试点击查看答案A.正确
B.错误
开始考试点击查看答案A.正确
B.错误
开始考试点击查看答案如图所示电路中,等效电阻 RAB 为 5 Ω。 ( )
A.正确
B.错误
开始考试点击查看答案图中的 a 、b 端钮的等效电阻 Rab =5Ω 。 ( )
A.正确
B.错误
开始考试点击查看答案长理培训客户端 资讯,试题,视频一手掌握
去 App Store 免费下载 iOS 客户端