¥10.00
推荐等级:动态电路在换路后出现过渡过程的原因是 ( ) 。
A.储能元件中的能量不能跃变
B.电路的结构或参数发生变化
C.电路有独立电源存在
D.电路中有开关元件存在
开始考试练习点击查看答案A.时间常数一定是正值
B.时间常数一定是负值
C.时间常数可正、可负也可能为零
D.以上说法均不正确
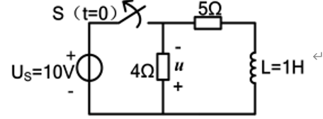
开始考试练习点击查看答案已知电路如图所示,在开关闭合后的时间常数等于 ( ) 。
A.0.5s
B.1s
C.2s
D.4s
开始考试练习点击查看答案一阶 RL 串联电路,R=2Ω ,L=0.5H ,电路时间常数为 ( ) 。
A.1s
B.2s
C.1/4s
D.5s
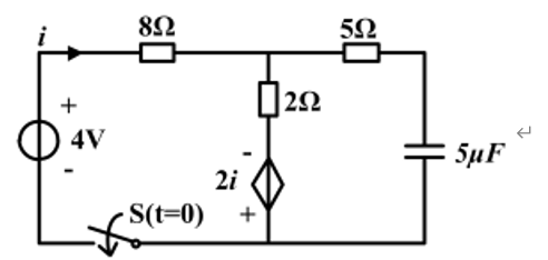
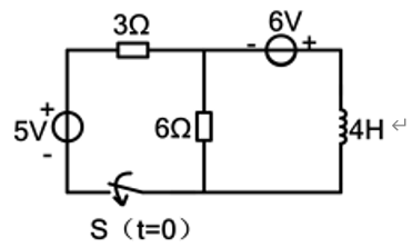
开始考试练习点击查看答案如图所示电路在开关 S 闭合后的时间常数为T 值为 ( ) 。
A.0. 1s
B.0.2s
C.0.5s
D.10s
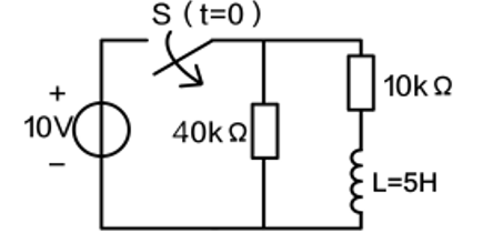
开始考试练习点击查看答案如图所示电路在开关 S 断开后,时间常数为T 值为 ( ) 。
A.0.5ms
B.0. 1s
C.0. 1ms
D.0.5s
开始考试练习点击查看答案如图所示电路在换路前处于稳定状态,t=0 瞬间开关 S 闭合,则uC (0+ ) 为( )。
A.6V
B.-6V
C.0V
D.3V
开始考试练习点击查看答案如图所示电路中,开关 S 闭合时已达到稳定状态,在 t=0 瞬间将开关 S 断开,u (0+ ) 为 ( ) 。
A.10V
B.8V
C.-8V
D.- 10V
开始考试练习点击查看答案A.越快
B.越慢
C.不变
D.不一定
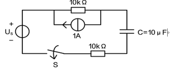
开始考试练习点击查看答案电路如下所示,在开关闭合后的时间常数等于 ( ) 。
A.7s
B.0.035s
C.0.07ms
D.0.035ms
开始考试练习点击查看答案长理培训客户端 资讯,试题,视频一手掌握
去 App Store 免费下载 iOS 客户端