¥10.00
推荐等级:A.削弱,增强
B.增强,增强
C.削弱,削弱
D.增强,削弱
开始考试练习点击查看答案A.电容
B.电感
C.电阻
D.无法确定
开始考试练习点击查看答案如下图所示电路中,耦合电感元件的等效感抗 Zab 为 ( ) 。
A.0.5Ω
B.1.5Ω
C.2.5Ω
D.2Ω
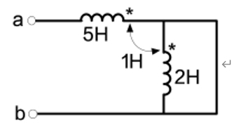
开始考试练习点击查看答案已知O = 2rap / s ,则如图所示电路 a 、b 端的输入阻抗 Zab 为 ( ) 。
A.j20
B.j8
C.j9
D.j 10
开始考试练习点击查看答案A.1-j2
B.2+j
C.1+j2
D.2-j
开始考试练习点击查看答案图示电路中,ωL1 =7.5Ω,R1 =3Ω,R2 =5Ω,ωL2 = 12.5Ω,ωM =6Ω,f=50Hz,当电路发生谐振时,C 等于 ( ) 。
A.0. 1μF
B.10μF
C.100μF
D.1000μF
开始考试练习点击查看答案A.不变动的电流(直流) 只产生自感和互感磁通链,不产生自感和互感电压
B.不变动的电流(直流) 不仅产生自感和互感磁通链,也产生自感和互感电压
C.耦合电感上的电压包含互感电压
D.耦合电感上的电压不包含互感电压
开始考试练习点击查看答案A.正确
B.错误
开始考试练习点击查看答案A.正确
B.错误
开始考试练习点击查看答案A.正确
B.错误
开始考试练习点击查看答案长理培训客户端 资讯,试题,视频一手掌握
去 App Store 免费下载 iOS 客户端