如下图所示,已知 u1 =u3 = 1V ,u2 =4V ,u4 =u5 =2V ,则电压 ux= ( ) 。
A.-6V
B.6V
C.8V
D.-8V
图示元件发出电功率 10W ,则电压 U 为 ( ) 。
A.-5V
B.5V
C.20V
D.-20V
开始考试点击查看答案A.0V
B.全电压
C.2 倍电压
D.R/ ( R+XC )
开始考试点击查看答案A.60V
B.30V
C.- 100V
D.-30V
开始考试点击查看答案下图所示为一独立直流电源的外特性曲线 ,其中理想电压源的外特性曲线是 ( ) 。
A. a
B.b
C.c
D.都不是
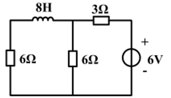
开始考试点击查看答案如图所示稳态电路,则电感中的储能为 ( ) 。
A.8J
B.4J
C.2J
D.10J
开始考试点击查看答案图中电流 I 为 2A,则下图中支路电压 U= 16V ,电源、电阻及支路吸收的功率分 别为 ( ) 。
A.24W 、8W 、32W
B.-24W 、8W 、32W
C.-24W 、8W 、- 16W
D.24W 、-8W 、16W
开始考试点击查看答案下图所示电路中,I1= ( ) 。 
A.0.5A
B.- 1A
C.1.5A
D.2A
开始考试点击查看答案下图所示的电容能量为 ( ) 。
A.4J
B.1J
C.2J
D.3J
开始考试点击查看答案图示电路中电压 u 等于 ( ) 。
A.4V
B.-4V
C.6V
D.-6V
开始考试点击查看答案如图所示电路,吸收功率的元件是 ( ) 。
A.电压源、电流源
B.电压源、电阻
C.电流源、电阻
D.电阻
开始考试点击查看答案长理培训客户端 资讯,试题,视频一手掌握
去 App Store 免费下载 iOS 客户端