如图所示电路中,12V 电压源发出的功率为 ( ) W。
A.36
B.24
C.6
D.12
电路如下所示,其中已知 L 与 C2 的值,设 us (t) = Um cos(Ot) ,is (t) = Ie
at , 则uL (t)= ( ) V ,iC (t)= ( ) A。
A.uL(t) = LIe
atV ,iC (t) = C2 Um cos(Ot)A
B.uL(t) = -aLIe
atV ,iC (t) = -OC2 Um cos(Ot)A
C.uL(t) = -aLIe
开始考试点击查看答案
如图所示电路,吸收功率的元件是 ( ) 。
A.电压源、电流源
B.电压源、电阻
C.电流源、电阻
D.电阻
开始考试点击查看答案图示电路中电压 u 等于 ( ) 。
A.4V
B.-4V
C.6V
D.-6V
开始考试点击查看答案下图所示的电容能量为 ( ) 。
A.4J
B.1J
C.2J
D.3J
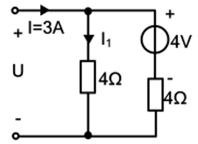
开始考试点击查看答案下图所示电路中,I1= ( ) 。 
A.0.5A
B.- 1A
C.1.5A
D.2A
开始考试点击查看答案电路如图所示,求 10V 电压源发出的功率 ( ) 。
A.- 35W
B.35W
C.70W
D.- 70W
开始考试点击查看答案A.导体
B.半导体
C.热敏电阻
D.绝缘体
开始考试点击查看答案A.电压
B.电流
C.时间
D.温度
开始考试点击查看答案A.功率越大的电器电流做的功越大
B.负载在额定功率的工作状态叫满载
C.两个额定电压相同的电炉,R1 > R2 ,因为P = I2R,所以电阻大的功率大
D.当电源内阻为零时,电源电动势的大小就等于电源端电压
开始考试点击查看答案A.对于理想电压源而言,不允许短路,但允许开路
B.对于理想电流源而言,不允许短路,但允许开路
C.电路的理想化是有条件的,这个条件与分析电路的工作特点有关,集总参数元件假设的内容是:实际电路的尺寸远小于电路工作时的电磁波波长
D.KCL 定律是对电路中各支路电压之间施加的线性约束条件
开始考试点击查看答案长理培训客户端 资讯,试题,视频一手掌握
去 App Store 免费下载 iOS 客户端