测得含源二端网络的开路电压 Uoc = 1V ,若 A 、B 端接一个 1
的电阻,则流过电阻的电流为 1A 。 ( )

A.正确
B.错误
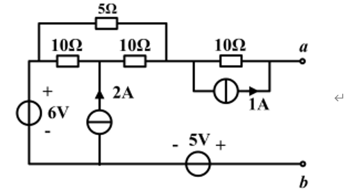
电路如下所示,将其变为戴维宁等效电路图,则 Uoc= 15V,Req = 14Ω 。 ( )

A.正确
B.错误
开始考试点击查看答案A.正确
B.错误
开始考试点击查看答案A.正确
B.错误
开始考试点击查看答案A.正确
B.错误
开始考试点击查看答案A.正确
B.错误
开始考试点击查看答案A.正确
B.错误
开始考试点击查看答案如图所示电路中电阻 R 可变,则当 R = 2Ω时,1Ω电阻可获得最大功率。 ( )

A.正确
B.错误
开始考试点击查看答案{00}. 电容元件的线性关系是指 ( )。
A.电压与电流的关系
B.电压与电荷的关系
C.电流与电荷的关系
D.电流与磁通的关系此题考查电容的特性
开始考试点击查看答案长理培训客户端 资讯,试题,视频一手掌握
去 App Store 免费下载 iOS 客户端