如图所示电路在换路前处于稳定状态,t=0 瞬间开关 S 闭合,则uC (0+ ) 为( )。

A.6V
B.-6V
C.0V
D.3V
如图所示电路在开关 S 断开后,时间常数为T 值为 ( ) 。

A.0.5ms
B.0. 1s
C.0. 1ms
D.0.5s
开始考试点击查看答案如图所示电路在开关 S 闭合后的时间常数为T 值为 ( ) 。

A.0. 1s
B.0.2s
C.0.5s
D.10s
开始考试点击查看答案一阶 RL 串联电路,R=2Ω ,L=0.5H ,电路时间常数为 ( ) 。
A.1s
B.2s
C.1/4s
D.5s
开始考试点击查看答案已知电路如图所示,在开关闭合后的时间常数等于 ( ) 。

A.0.5s
B.1s
C.2s
D.4s
开始考试点击查看答案A.时间常数一定是正值
B.时间常数一定是负值
C.时间常数可正、可负也可能为零
D.以上说法均不正确
开始考试点击查看答案如图所示电路中,开关 S 闭合时已达到稳定状态,在 t=0 瞬间将开关 S 断开,u (0+ ) 为 ( ) 。

A.10V
B.8V
C.-8V
D.- 10V
开始考试点击查看答案A.越快
B.越慢
C.不变
D.不一定
开始考试点击查看答案电路如下所示,在开关闭合后的时间常数等于 ( ) 。

A.7s
B.0.035s
C.0.07ms
D.0.035ms
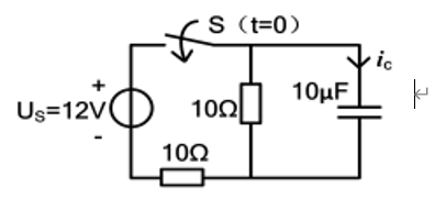
开始考试点击查看答案如图所示电路中,开关 S 在 t=0 瞬间闭合,若uC (0
)=0 ,则iC (0+ ) 为 ( ) 。

A.1.2A
B.0A
C.2.4A
D.0.6A
开始考试点击查看答案A.换路前后的瞬间电容电压不变
B.换路前后的瞬间电阻电压不变
C.换路前后的瞬间电感中的电流不变
D.换路前后的瞬间电感中的电压不变
开始考试点击查看答案长理培训客户端 资讯,试题,视频一手掌握
去 App Store 免费下载 iOS 客户端