按指数规律衰减。 ( )A.正确
B.错误
A.零输入响应中动态电路没有外施激励
B.零状态响应中动态元件初始储能为零,由外施激励而引起的响应
C.零状态响应中动态元件初始储能为零,由内部激励而引起的响应
D.当一个非零状态的一阶电路受到激励时,电路的响应为全响应
开始考试点击查看答案A.一阶电路的全响应=零输入响应+零状态响应
B.一阶电路的全响应=稳态分量+瞬态分量
C.一阶电路的全响应=零输入响应+瞬态分量
D.一阶电路的全响应=零状态响应+瞬态分量
开始考试点击查看答案
按指数规律衰减。 ( )A.正确
B.错误
开始考试点击查看答案A.零输入响应换路前储能元件有能量,换路后电路中无独立电源
B.零输入响应换路前储能元件无能量,换路后电路中无独立电源
C.零状态响应换路前储能元件有能量,换路后电路中无独立电源
D.零状态响应换路前储能元件无能量,换路后电路中有独立电源
开始考试点击查看答案全响应是
,则电容电压的零输入响应是 ( ) 。
A. -3e -10t
B.8
C.5e-10t
D.11e-10t
开始考试点击查看答案A.正确
B.错误
开始考试点击查看答案A.正确
B.错误
开始考试点击查看答案A.正确
B.错误
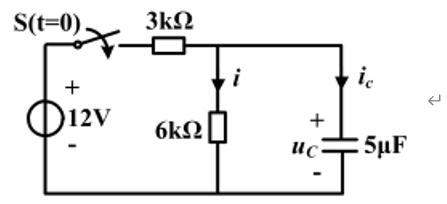
开始考试点击查看答案电路如图所示,t=0 时开关 S 闭合,uC(0-)=0V,如图,t<0 时电路已经稳定。t=0 时开关闭合则换路后的
。( ) 。

A.正确
B.错误
开始考试点击查看答案图中原电路已稳定,已知R1 = 6
,R2 = 3
,IS = 2A ,C = 0.5F ,在 t=0 时将 开关 S 闭合,则闭合后的uC (t ) 为uC (t )=6
6e-2t 。 ( ) 。

A.正确
B.错误
开始考试点击查看答案长理培训客户端 资讯,试题,视频一手掌握
去 App Store 免费下载 iOS 客户端