在下图电路中,已知 US = 24V ,IS = 2A ,R0 = 2
,RS = 6
, C = 2
F ,开 关 S 在 t=0 时合上,求电容两端的电压uC (t )为 ( ) 。

A.uC (t)=- 9e-10/5tV
B.B. uC (t)=21- 9e-10/3tV
C.uC (t)=21 9e-10/5tV
D.D. uC (t)= - 9e-10/3tV
如图所示电路已达稳态,现增大 R 值,则该电路 ( ) 。

A.因为发生换路,要产生过渡过程
B.因为有储能元件且发生换路,要产生过渡过程
C.因为电容C 的储能值没有变,所以不产生过渡过程
D.无法确定
开始考试点击查看答案已知 t=0 时合上开关 K ,则换路后的电容电压uC 为 ( ) 。

A.uC = (2-0.667)e -0.5t
B.uC =0.667+ (2-0.667)e-0.5t
C.uC =0.667+ (2-0.667 )e - t
D.uC = (2-0.667)e - t
开始考试点击查看答案图示电路中的稳态电流 I 为 ( ) 。

A.-6A
B.0A
C.3A
D.14A
开始考试点击查看答案如图,在 t<0 时电路已达到稳态,当开关 S 在 t=0 时从 a 打到 b 端点,则uC (t )为 ( ) 。

A.uC (t)=8- 4/3e-t(V )
B.uC (t)= - 4/3t1/2(V)
C.uC (t)=-4/3e-t(V )
D.uC (t)=8- 4/3t1/2(V)
开始考试点击查看答案图示电路开关断开后电容电压初始值 uc (0+ ) 为 ( ) 。

A.8V
B.10V
C.5V
D.7V
开始考试点击查看答案A.共轭虚数
B.相等实数
C.相等复数
D.不相等负数
开始考试点击查看答案4Ω电阻、1H 电感和 1F 电容串联二阶电路的零输入响应属于 ( ) 情况。
A.过阻尼
B.欠阻尼
C.临界阻尼
D.无阻尼
开始考试点击查看答案A.一阶交流电路
B.一阶直流电路
C.二阶交流电路
D.二阶直流电路
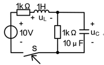
开始考试点击查看答案如图所示电路中,开关 S 在 t=0 瞬间闭合,若uC (0
) =0V 则,uL (0+ ) 为 ( ) 。

A.10V
B.- 10V
C.0V
D.5V
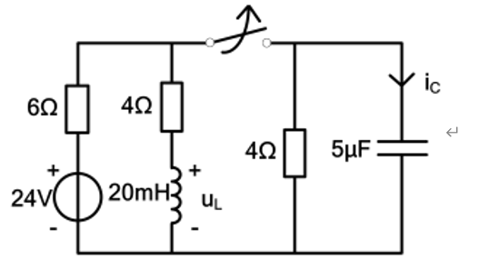
开始考试点击查看答案下图示电路原已达到稳态 ,当 t=0 时开关动作 ,则 uL (t), iC (t)的表达式分别为( ) 。

A.9e-500t,1.5e-50000t
B.9e-500t,-1.5e-50000t
C.9e50000t,1.5e-500t
D.9e-50000t,- 1.5e-500t
开始考试点击查看答案长理培训客户端 资讯,试题,视频一手掌握
去 App Store 免费下载 iOS 客户端