图示电路的谐振频率 f 为: ( ) 。

A.79.58Hz
B.238.74Hz
C.159. 16Hz
D.477.48Hz
如图所示含耦合电感电路中 ,已知L1 = 0.4H,L2 = 0.4H,M = 0. 12H ,ab 端 的等效电感为 ( ) 。

A.0.364H
B.0.062H
C.0.64H
D.0.62H
开始考试点击查看答案图示单口网络的等效电感为 ( ) H。

A.1
B.2
C.3.5
D.4
开始考试点击查看答案图示电路中,下面表述正确的是 ( ) 。

A.n1 = R1i + (L1 M ) di/dt
B.n1 = R1i + (L1 + M ) di/dt
C.n1 = R2 i+ (L2 M ) di/dt
D. n1 = R2 i+ (L2 + M ) di/dt
开始考试点击查看答案如下图所示电路中,耦合电感元件的等效感抗 Xab 为 ( ) 。

A.0.5Ω
B.1.5Ω
C.2.5Ω
D.3Ω
开始考试点击查看答案电路如图所示,U. = 12√ 2三0O V ,则理想变压器原边电流I.1 为 ( ) A。

A.1三 -45O
B.1三45O
C.2三 -90O
D.2三90O
开始考试点击查看答案图示一端口电路的等效电感为 ( ) 。

A.L1 -M2/L2
B.L2 -M2/L1
C.L1 + M2/L2
D.L2 + M2/L1
开始考试点击查看答案两台U1N/U2N=220/ 110V的单相变压器,按图所示那样联接于U1=220V的电源上,副边开路,则原边电压有效值 U12 为 ( ) 。

A.220V
B.110V
C.55V
D.0V
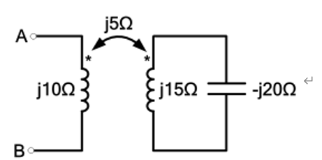
开始考试点击查看答案图示空心变压器 AB 间的输入阻抗 Z 应为 ( ) 。

A.j20
B.-j20
C.-j 15
D.j 15
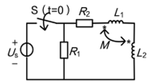
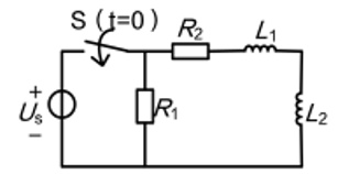
开始考试点击查看答案图示电路中,换路后时间常数最大的电路是 ( ) 。
A:
B:
C:
D:
A.A
B.B
C.C
D.D
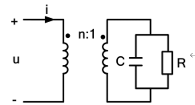
开始考试点击查看答案图示理想交压器电路中 ,已知负载电阻 R = 1
(OC) ,则输入端电流 i 和输入端电压 u 间的相位差是 ( ) 。

A.A. - π/2
B.π/2
C. - π/4
D. π/4
开始考试点击查看答案长理培训客户端 资讯,试题,视频一手掌握
去 App Store 免费下载 iOS 客户端