¥10.00
推荐等级:如图所示,ab端等效电阻=()
A.6Ω
B.5Ω
C.3Ω
D.4Ω
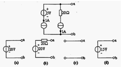
开始考试练习点击查看答案试判断图示电路ab端的等效电路是()
A.图(a)
B.图(b)
C.图(c)
D.图(d)
开始考试练习点击查看答案A.10V
B.20V
C.30V
D.40V
开始考试练习点击查看答案A.全是10Ω
B.两个30Ω一个90Ω
C.全是90Ω
D.全是30Ω
开始考试练习点击查看答案图示AB端口的输入电阻R为()。
A.150
B.50
C.100
D.300
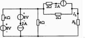
开始考试练习点击查看答案应用等效变换的方法,R=4Ω,图示电路中的为().
A.0.5A
B.2A
C.1A
D.3A
开始考试练习点击查看答案图所示电路中,输入电阻。为()。
A.12
B.50
C.20
D.30
开始考试练习点击查看答案所示电路中,利用电源等效变换过程,求i为()。
A.0.5A
B.2A
C.1A
D.0.125A
开始考试练习点击查看答案下列关于图中电源的转换正确的是()。
A.=18V,R-3Ω
B.=18V,R-2Ω
C.=-18V,R-3Ω
D.=-18V,R-2Ω
图所示电路,已知U=3V,R为()。
A.1kΩ
B.5kΩ
C.2kΩ
D.3kΩ
开始考试练习点击查看答案国家电网考试专科高电压:高电压下气体、液体固体放电原理2
类别:高电压技术国家电网考试专科高电压:电气设备绝缘试验2
类别:高电压技术国家电网考试专科高电压:电介质的极化、电导和损耗
类别:高电压技术国家电网考试专科高电压:气体放电过程及其击穿特性
类别:高电压技术国家电网考试专科高电压:固体、液体和组合绝缘的击穿特性
类别:高电压技术国家电网考试专科高电压:电气设备的绝缘试验
类别:高电压技术国家电网考试专科高电压:线路和绕组中的波过程
类别:高电压技术国家电网考试专科高电压:雷电及防雷装置
类别:高电压技术国家电网考试专科高电压:电力系统的防雷保护
类别:高电压技术国家电网考试专科高电压:电力系统内部过电压
类别:高电压技术长理培训客户端 资讯,试题,视频一手掌握
去 App Store 免费下载 iOS 客户端