¥10.00
推荐等级:在图示电路中,采用结点电压法,下列描述中正确的是()。
A.结点①的自导为1.5s,与结点②的互导为0,与结点③的互导为-1S,为2A.
B.结点②的自导为0.5S,与结点①的互导为0,与结点③的互导为-4S,为-2A。
C.结点③的自导为1.25S,与结点①的互导为-1S,与结点②的互导为-0.25S,为4A。
D.满足KVL.
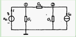
在图所示电路中,采用结点电压法,下列描述中正确的是()
A.结点①的自导为,与结点②的互导为-G2,
为
。
B.结点②的自导为,与结点①的互导为-G
为
C.由电路可知结点①的电压为已知:=
D.、
自动满足KVL。
在下图所示电路中,说法错误的是()
D.流入结点①的电源电流为:+
A.选取独立回路(一般选择网孔作为独立回路),在回路中标示出假想回路电流的参考方向,并把这一参考方向作为回路的绕行方向。
B.建立回路的KVL方程式。应注意自电阻压降恒为正值,公共支路上互电阻压降的正.负由相邻回路电流的方向来决定。
C.求解联立方程式,得出假想的各回路电流.
D.在电路图上标出客观存在的各支路电流的参考方向,按照它们与回路电流之间的关系,求出各条支路电流。
开始考试练习点击查看答案A.正确
B.错误
开始考试练习点击查看答案A.正确
B.错误
开始考试练习点击查看答案A.正确
B.错误
开始考试练习点击查看答案A.正确
B.错误
开始考试练习点击查看答案A.正确
B.错误
开始考试练习点击查看答案A.正确
B.错误
开始考试练习点击查看答案国家电网考试专科高电压:高电压下气体、液体固体放电原理2
类别:高电压技术国家电网考试专科高电压:电气设备绝缘试验2
类别:高电压技术国家电网考试专科高电压:电介质的极化、电导和损耗
类别:高电压技术国家电网考试专科高电压:气体放电过程及其击穿特性
类别:高电压技术国家电网考试专科高电压:固体、液体和组合绝缘的击穿特性
类别:高电压技术国家电网考试专科高电压:电气设备的绝缘试验
类别:高电压技术国家电网考试专科高电压:线路和绕组中的波过程
类别:高电压技术国家电网考试专科高电压:雷电及防雷装置
类别:高电压技术国家电网考试专科高电压:电力系统的防雷保护
类别:高电压技术国家电网考试专科高电压:电力系统内部过电压
类别:高电压技术长理培训客户端 资讯,试题,视频一手掌握
去 App Store 免费下载 iOS 客户端