¥10.00
推荐等级:A.8-2
=2
B.1.7-0.5
=2
C.1.7+0.5
=2
D.1.7-0.5
=-2
A.电阻元件和电压源并联
B.电阻元件和电压源串联
C.电阻元件和电流源并联
D.电阻元件和电流源串联
开始考试练习点击查看答案A.电阻元件和电压源并联
B.电阻元件和电压源申联
C.电导元件和电流源并联
D.电导元件和电流源串联
开始考试练习点击查看答案图示电路中网孔1的网孔电流方程为()。
A.11-3
=5
B.11+3
=5
C.11+3
=-5
D.11-3
=-5
A.{3,5,7}
B.{3,5,6,8}
C.{1,2,3,8}
D.{1,2,3,6,7}
开始考试练习点击查看答案A.支路电流法
B.回路电流法
C.结点电压法
D.网孔电流法
开始考试练习点击查看答案A.支路电流法
B.回路电流法
C.结点电压法
D.都满足
开始考试练习点击查看答案A.支路电流法
B.回路电流法
C.结点电压法
D.网孔电流法
开始考试练习点击查看答案列出下图所示电路中对于A点(左上角)的结点电压方程()。
A.
B.
C.
D.
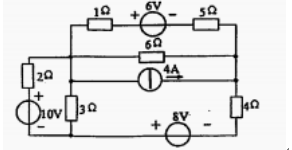
用网孔分析法计算图示电路中的网孔电流i为()。
A.1A
B.2A
C.3A
D.4A
开始考试练习点击查看答案国家电网考试专科高电压:高电压下气体、液体固体放电原理2
类别:高电压技术国家电网考试专科高电压:电气设备绝缘试验2
类别:高电压技术国家电网考试专科高电压:电介质的极化、电导和损耗
类别:高电压技术国家电网考试专科高电压:气体放电过程及其击穿特性
类别:高电压技术国家电网考试专科高电压:固体、液体和组合绝缘的击穿特性
类别:高电压技术国家电网考试专科高电压:电气设备的绝缘试验
类别:高电压技术国家电网考试专科高电压:线路和绕组中的波过程
类别:高电压技术国家电网考试专科高电压:雷电及防雷装置
类别:高电压技术国家电网考试专科高电压:电力系统的防雷保护
类别:高电压技术国家电网考试专科高电压:电力系统内部过电压
类别:高电压技术长理培训客户端 资讯,试题,视频一手掌握
去 App Store 免费下载 iOS 客户端