¥10.00
推荐等级:A.电压加倍
B.电压减半
C.电阻加倍
D.电阻减半
开始考试练习点击查看答案A.A.1
B.0.5
C.0.25
D.0.125
开始考试练习点击查看答案A.吸收10W
B.发出10W
C.吸收10mW
D.发出10mW
开始考试练习点击查看答案A.-10A
B.10A
C.-10mA
D.10Ma
开始考试练习点击查看答案当元件两端电压与通过元件的电流取关联参考方向时,且通过计算其电压.电流都为正,即该元件()功率。
A.吸收
B.发出
C.不能确定
D.有时吸收,有时发出
开始考试练习点击查看答案A.电源
B.电感
C.电阻
D.电容
开始考试练习点击查看答案A.0A,2V
B.20A,0
C.20A,0V
D.0A,0V
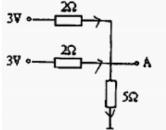
开始考试练习点击查看答案求图示电路中,A点的电位。
A.1.5V
B.2V
C.2.5V
D.3V
开始考试练习点击查看答案A.6V
B.-4V
C.8V
D.5V
开始考试练习点击查看答案图示电路中,电压源=()。
A.2V
B.4V
C.6V
D.8V
开始考试练习点击查看答案国家电网考试专科高电压:高电压下气体、液体固体放电原理2
类别:高电压技术国家电网考试专科高电压:电气设备绝缘试验2
类别:高电压技术国家电网考试专科高电压:电介质的极化、电导和损耗
类别:高电压技术国家电网考试专科高电压:气体放电过程及其击穿特性
类别:高电压技术国家电网考试专科高电压:固体、液体和组合绝缘的击穿特性
类别:高电压技术国家电网考试专科高电压:电气设备的绝缘试验
类别:高电压技术国家电网考试专科高电压:线路和绕组中的波过程
类别:高电压技术国家电网考试专科高电压:雷电及防雷装置
类别:高电压技术国家电网考试专科高电压:电力系统的防雷保护
类别:高电压技术国家电网考试专科高电压:电力系统内部过电压
类别:高电压技术长理培训客户端 资讯,试题,视频一手掌握
去 App Store 免费下载 iOS 客户端